快捷导航
联系方式

电话:0577-62793938
邮箱:113019163@qq.com
地址:浙江省乐清经济开发区
祝捷电气一叩起智慧、财富与荣耀之门
FZN16-12真空负荷开关生产厂家
发布:2021-06-26 17:22:27 阅读:(647)

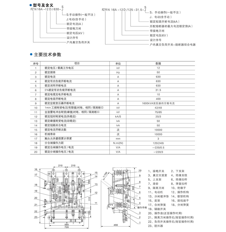
型户内交流高压真空负荷开关及型负荷开关熔断器组合电器性能达到交流高压负荷开关和交流高压负荷开关熔断器组合电器年版国际标准及国家标准报批稿的要求。具有体积小、外形美观、安装灵活、操作力小、开断安全可靠、电寿命长、可频繁每操作、开断转移电流大、基本不需要维护,有明显的隔离断口且具有手、电动二用功能,可实现远距离控制等优点。负荷开关熔断器组合电器还具有保护变压器过载,防止设备缺相运行的功能。
型负荷开关和型组合电器适用于交流,额定电压的网络中。可开断负荷电流,可开断负荷电流、过载电流和短路电流,特别适用于无油化、不检修及频繁操作要求的场所。CS6 - 1FZN16A- 12 -J
上一篇:没有了 下一篇:FZW32-40·5真空负荷开关生产厂家