快捷导航
联系方式

电话:0577-62793938
邮箱:113019163@qq.com
地址:浙江省乐清经济开发区
祝捷电气一叩起智慧、财富与荣耀之门
LW3-12六氟化硫断路器(带隔离刀)
发布:2021-06-02 09:56:58 阅读:(537)
一、概述
SF6气体具有优越的绝缘与灭弧性能,SF6电器是目前性能最好的电器,在国内外、SF6已成为公认的发展方向。
LW3-10 Ⅰ ⅡⅢ型户外高压六氟化硫断路器(以下简称“ⅠⅡⅢ型断路器”)是以六氟化硫气体作为灭弧和绝缘介质的新型户外高压电器。其灭弧室采用 自能旋弧灭弧原理,操动机构分(Ⅰ型)手动储能操动机构。 (Ⅱ型)储能弹簧操动机构,(Ⅲ型)直流电磁操动机构叁种,各种操动机构均与断路器本体完善 地组合成一个整体。
二、使用环境条件
环境温度:上限+40度,下限-40度
海拔高度不超过1000m
风压不超过700Pa(风速不大于35m/s)
地震烈度不超过8度
没有火灾、爆炸危险、严重污秽、化学腐蚀及剧烈振动的场所。
三、特点
三级共箱式,结构简单,布置紧凑;动力输出为转动式,密封效果好。本体内运动质量小减轻了操作功,提高了机械寿命。旋转电弧技术的应用,提高了灭弧效 率和电寿命。本体结构的独立性,可派生出具有不同性能和安装方式的产品。与真空和油断路器相比,在结构、重量、安全性、耐电强度、电寿命、维护和造价等方 面有显著的优越性。可根据用户需求进行特殊布置及配置不同变比的保护,测量用互感器。
四、主要技术参数

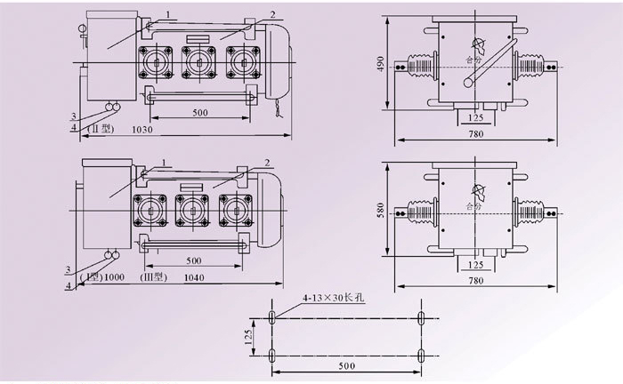
五、外形及安装尺寸

六、户外安装方式示意图
