
电话:0577-62793938
邮箱:113019163@qq.com
地址:浙江省乐清经济开发区
祝捷电气一叩起智慧、财富与荣耀之门
LW38-126型户外自能式高压六氟化硫断路器
LW38-126型户外自能式高压六氟化硫断路器
1.LW38-126型户外自能式高压六氟化硫断路器(配SRCT36-C弹簧机构),它详细描述了断路器的安装使用和维护的有关内容,以及在此过程中需要注意的安全规范和可能出现的危险。任何操作人员在安装和使用断路器前需仔细阅读本说明书,在确保熟悉相关内容后方可操作。如果仍有疑问或需要更详细的资料,请与制造商联系。
3.断路器符合GB1984-2003《高压交流断路器》和IEC62271-100-2001《高压交流断路器》及QJ/RG.30.03.54-1999《LW36-126自能式断路器技术条件》的要求。断路器以SF6气体为绝缘和灭弧介质,采用自能式灭弧原理,配用新型弹簧操动机构,具有开断能力强,操作功小,可靠性高的特点。
周围环境温度 -40oC ~+40oC;
海拔高度 不超过3000m;
风速 不大于34m/s;
日温差 不大于25oC;
日照强度 不大于0.1w/cm;
月平均相对湿度 不大于90%;
地震加速度 水平不大于0.2g,垂直不大于0.1g;
覆冰厚度 不大于10mm;
空气污秽程度 不超过GB5582中的Ⅳ级;
安装场合 户外。
5.本手册在叙述过程中分“注意”和“警告”两类提示,对于“注意”的有关内容,若不执行有可能造成不便或轻微伤害,对于“警告”的内容,若不执行有可能造成人身伤害或设备损坏,此两类提示均以黑体字示出。
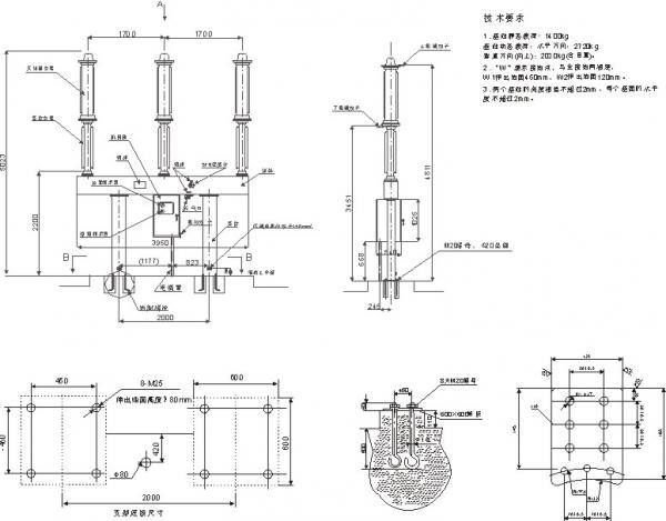
断路器采用三相瓷瓶支柱式结构,为户外设计,三相配用一个SRCT36-C弹簧操动机构,居中布置,三相连动,故外观新颖精致。断路器以SF6气体作为绝缘和灭弧介质,运行时断路器三极SF6气体应连通,并采用指针式密度继电器对其压力和密度进行监控。由于采用自能式灭弧原理,且在断路器运动系统中进行了优化设计,故有效的提高了机械效率,最大限度的降低了操作功。
7.1断路器主要技术参数见表1。
序号 | 项目 | 单位 | 参数 | 参数 | |
LW38-126W/ T3150-40 | LW38-126W/ T3150-31.5(H) | ||||
1 | 适用环境 | 正常 | 高寒地区适用型 | ||
2 | 额定电压 | kV | 126 | ||
3 | 额定工频耐受电压(1min) | 对地 | K·230 | ||
断口间 | K·(230+73) | ||||
4 | 额定雷电冲击耐受电压 | 对地 | K·550 | ||
断口间 | K·(550+103) | ||||
5 | SF6气体零表压时的工频耐受电压(5min) | K·95 | |||
6 | 额定频率 | Hz | 50 | ||
7 | 额定电流 | A | 3150 | ||
8 | 首开级系数 | 1.5 | |||
9 | 额定短路开断电流IK | kA | 40 | 31.5 | |
10 | 额定短路关合电流(峰值) | 100 | 80 | ||
11 | 额定短路耐受电流 | 40 | 31.5 | ||
12 | 额定峰值耐受电流 | 100 | 80 | ||
13 | 额定短路持续时间 | s | 4 | ||
14 | 额定失步开断电流 | kA | 10 | 8 | |
15 | 近区故障开断电流 | kA | 90%Ik ,75%Ik | ||
16 | 额定线路充电开合电流 | A | 31.5 | ||
17 | 额定操作顺序 | O-0.3s-CO-180s-CO | |||
18 | 主回路电阻 | μΩ | ≤35 | ||
19 | 额定六氟化硫气体压力(20oC表压) | MPa | 0.6 | 0.45 | |
20 | 报警/最低功能压力(20oC表压)* | 0.55±0.015/0.50±0.015 | 0.40±0.015/0.34±0.015 | ||
21 | SF6气体年漏气率 | ≤0.5% | |||
22 | SF6气体水分含量(V/V) | ppm | ≤150 | ||
23 | 机械寿命 | 次 | 6000或10000 | ||
24 | 无线电干扰电平 | μV | ≤500 | ||
25 | 爬电距离 | 断口间 | mm | 3906/3150 | |
对地 | 3906/3150 | ||||
26 | 每台充入SF6气体质量 | kg | 8 | ||
27 | 每台断路器质量 | 1700 | |||
注:K-——海拔修正系数,海拔2000m时K=1.13;海拔3000 m时K=1.28;
7.2 机构主要技术参数见表2。
序号 | 项目 | 单位 | 参数 | |
1 | 辅助回路电压 | V | DC220或AC220 | |
2 | 分闸线圈电压/电流 | V/A | DC110/4; DC220/2; AC220/5 | |
3 | 合闸线圈电压/电流 | V/A | DC110/2.6; DC220/1.3; AC220/5 | |
4 | 储能电机 | 额定电压 | V | DC220或AC220 |
正常工作电压范围 | V | 85%~110% | ||
功率 | W | 720 | ||
5 | 电动机储能时间 | S | ≤20 | |
6 | 加热器及照明回路电压 | V | AC220 | |
7 | 辅助开关额定电压 | V | DC220 | |
8 | 辅助开关额定电流 | A | 10 | |
9 | 辅助开关接点数 | 11常开+11常闭 | ||
7.3 产品的机械调整参数见表3。
序号 | 项目 | 单位 | 参数 |
1 | 断路器极间中心距 | mm | 1700 |
2 | 动触头行程 | mm | 120 +3 0 |
3 | 动触头接触行程 | mm | 25 +3 0 |
4 | 断路器相间操作连杆行程(弦长) | mm | 110 +3 0 |
5 | 分闸速度 | m/s | 5.0±0.5 |
6 | 合闸速度 | m/s | 3.0±0.5 |
7 | 分闸时间 | ms | ≤38 |
8 | 合闸时间 | ms | 70±8 |
9 | 开断时间 | ms | ≤60 |
10 | 合-分时间 | ms | 35~50 |
11 | 分-合时间 | ms | 300 |
12 | 三相分闸不同期性(时差) | ms | ≤2 |
13 | 三相合闸不同期性(时差) | ms | ≤3 |
该型断路器的整体结构如图1所示,三个极柱安装在共同的基座上。控制柜居中吊装在基座下面,柜内装有弹簧操动机构和控制单元,机构的输出杆与中相的拐臂相连。并通过操作连杆与A相、C相断路器的拐臂箱连接进行分、合闸操作。三相SF6气体连通,并采用SF6气体密度继电器对断路器内的SF6气体密度进行监控(密度继电器在产品允许工作范围内,无需拆卸,均可现场校验。如确需拆下校验,需注意密度继电器接头端密封圈需装配正确,防止漏气)。
基座(图1所示序2)起支撑三瓷柱并连接控制柜的作用,是由厚钢板整体弯制而成,再盖上相应的盖板后,能满足GB/T11022-1999《高压开关设备和控制设备标准的共用技术要求》的IP2X防护等级。基座正面有分、合指示牌,基座内有三相SF6气体充气管路和指针式密度继电器,背面有密度继电器观察孔可观察到SF6气体的压力值。在未接极柱充气阀时,充气管内的气体处于密封状态,压力表显示的数值为管路内的压力。另外基座内还装有多通体及LF-1截止阀,通过多通体可对本体内充气及放气,同时截止阀可将密度继电器内气体与本体内的气体隔离,便于密度继电器的校验及检修。

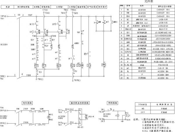
附件Ⅲ: LW38-126断路器电气控制原理图
