欢迎进祝捷电气有限公司官网
关于我们
|
网络营销
|
联系我们
24小时专线:
151-5872-5555
祝捷首页
公司介绍
高压真空断路器
高压负荷开关
六氟化硫断路器
多油少油断路器
工程案例
新闻中心
联系我们
快捷导航
永磁真空断路器系列
电力设备
高压隔离开关
高压成套配件
看门狗智能分界开关系列
户外油浸式电流互感器
高压穿墙套管
高压接地开关系列
零序电流互感器
六氟化硫断路器
高压负荷开关
氧化锌避雷器
高压限流熔断器
预付费计量装置
油浸式电流互感器
复合绝缘子系列
电压互感器
电站金具
复合绝缘子
高压真空断路器
高压操作机构
高压计量箱
户外干式电压互感器
高压瓷绝缘子
电流互感器
跌落式熔断器
高压避雷器系列
联系方式
咨询热线:15158725555
电话:0577-62793938
邮箱:113019163@qq.com
地址:浙江省乐清经济开发区
祝捷电气一叩起智慧、财富与荣耀之门
永磁真空断路器系列
所在位置:
首页
>首页
->
产品中心
->
永磁真空断路器系列
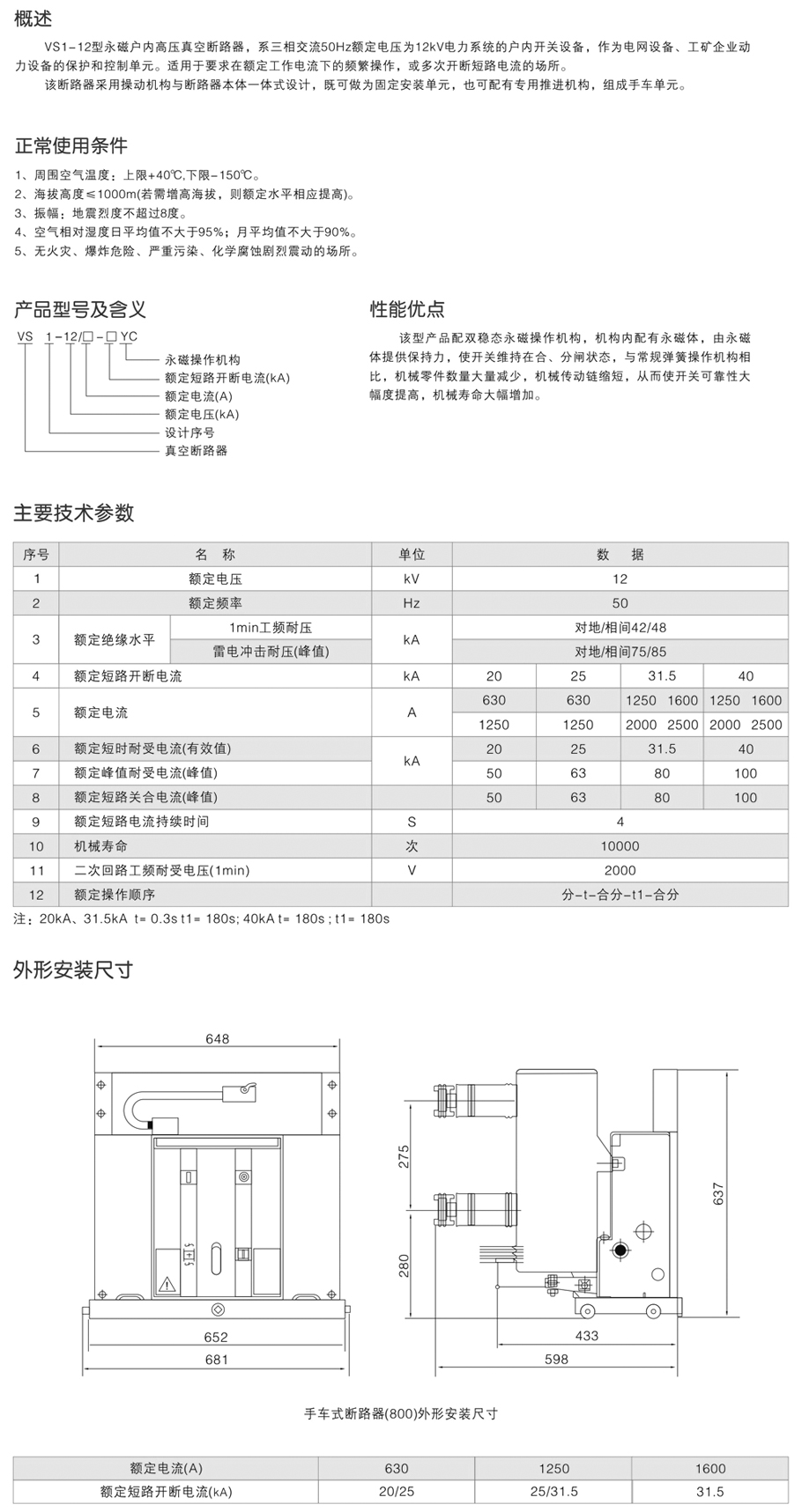
VS1-12永磁真空断路器生产厂家
发布:2021-06-22 11:03:55 阅读:
(259)
VS1-12永磁真空断路器
上一篇:
ZW8-12M永磁真空断路器生产厂家
下一篇:没有了
关闭
QQ咨询
QQ咨询
在线留言
返回顶部