欢迎进祝捷电气有限公司官网
关于我们
|
网络营销
|
联系我们
24小时专线:
151-5872-5555
祝捷首页
公司介绍
高压真空断路器
高压负荷开关
六氟化硫断路器
多油少油断路器
工程案例
新闻中心
联系我们
快捷导航
环网柜
高压成套开关柜系列
箱式变电站系列
高低压成套开关柜
高压成套开关柜
高压成套配件系列
充气柜
电缆分支箱
低压成套开关柜
联系方式
咨询热线:15158725555
电话:0577-62793938
邮箱:113019163@qq.com
地址:浙江省乐清经济开发区
祝捷电气一叩起智慧、财富与荣耀之门
高压成套开关柜系列
所在位置:
首页
>首页
->
箱柜系列
->
高压成套开关柜系列
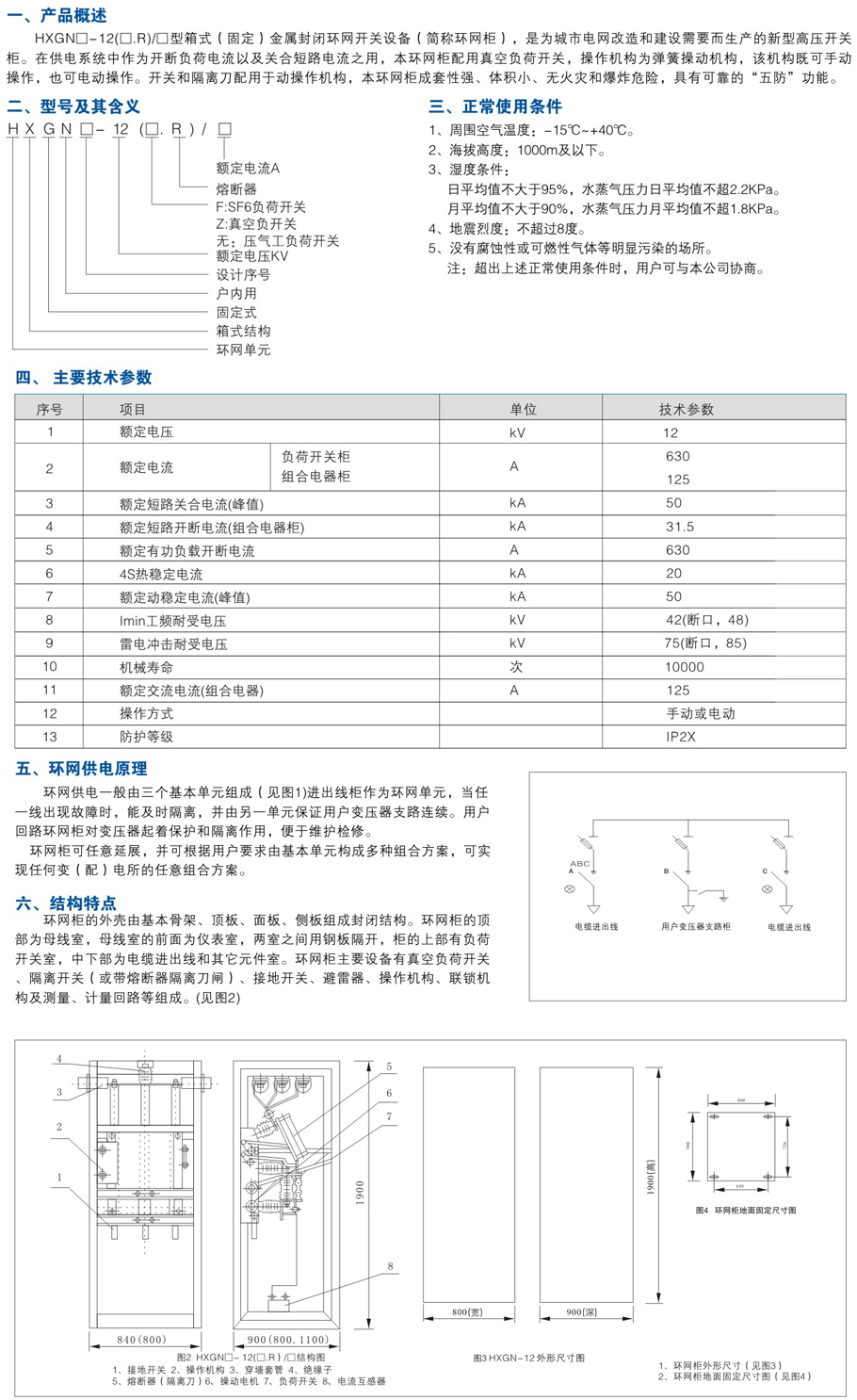
XHGN-12环网柜最牛的生产厂家
发布:2021-06-25 14:34:56 阅读:
(6)
环网柜
上一篇:
CXR(M)-1224KV系列金属开关设备柜
下一篇:
高压环网柜最牛的生产厂家
关闭
QQ咨询
QQ咨询
在线留言
返回顶部