欢迎进祝捷电气有限公司官网
关于我们
|
网络营销
|
联系我们
24小时专线:
151-5872-5555
祝捷首页
公司介绍
高压真空断路器
高压负荷开关
六氟化硫断路器
多油少油断路器
工程案例
新闻中心
联系我们
快捷导航
ZN12户内真空断路器
高压户内真空断路器
ZN85户内真空断路器
多油少油断路器
VS1真空断路器
联系方式
咨询热线:15158725555
电话:0577-62793938
邮箱:113019163@qq.com
地址:浙江省乐清经济开发区
祝捷电气一叩起智慧、财富与荣耀之门
高压户内真空断路器
所在位置:
首页
>首页
->
户内真空断路器
->
高压户内真空断路器
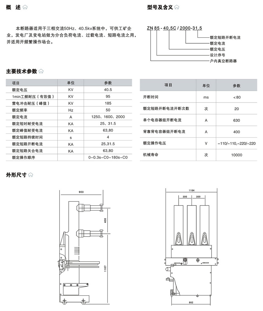
ZN85-40真空断路器
发布:2021-06-02 09:04:23 阅读:
(8)
ZN85-40.5真空断路器
上一篇:
ZN63(VSl)-24kV系列
下一篇:
ZN28-12真空断路器
关闭
QQ咨询
QQ咨询
在线留言
返回顶部