快捷导航
联系方式

电话:0577-62793938
邮箱:113019163@qq.com
地址:浙江省乐清经济开发区
祝捷电气一叩起智慧、财富与荣耀之门
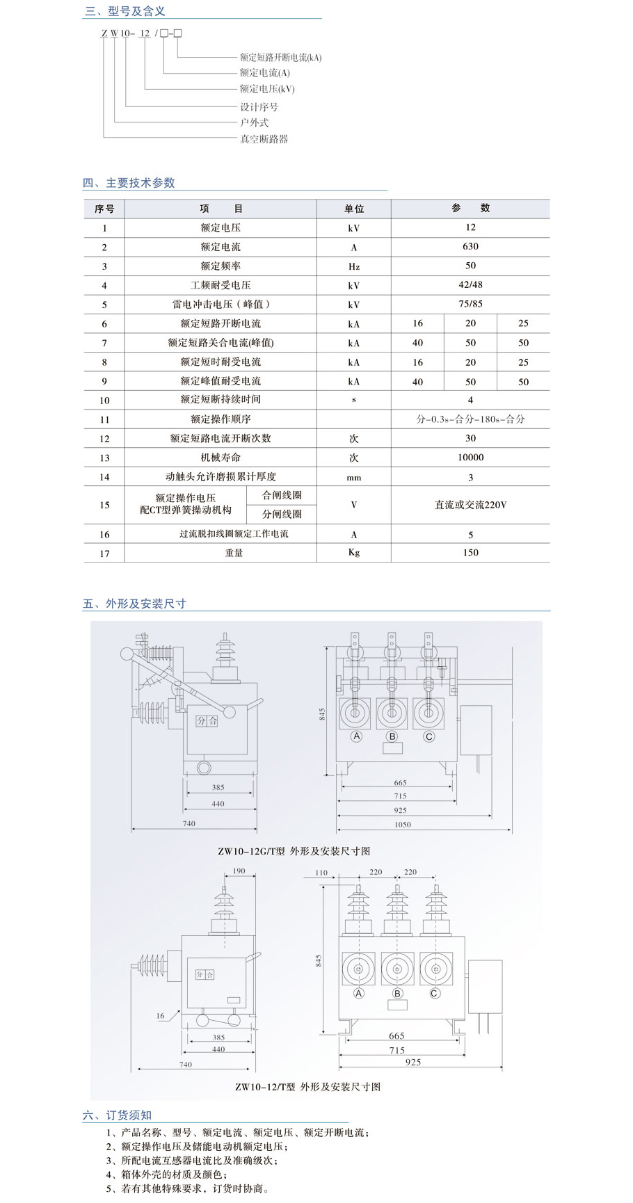
ZW10系列户外真空断路器
ZW10-12双隔离双电源真空断路器
发布:2021-06-02 09:29:46 阅读:(20)
ZW10-12双隔离双电源真空断路器
ZW10- 12系列户外高压真空断路器是三相交流户外高压开关设备,主要用于12KV等级,额定电流630A,额定频率50HZ的农网、 城网、矿山、铁道、港口的配电系统,特别适用于户外架空线路,分合负荷电流、过载电流、短路电流,对电网进行切换和保护。
<span font-size:18px;"="">