快捷导航
联系方式

电话:0577-62793938
邮箱:113019163@qq.com
地址:浙江省乐清经济开发区
祝捷电气一叩起智慧、财富与荣耀之门
ZW43系列户外真空断路器
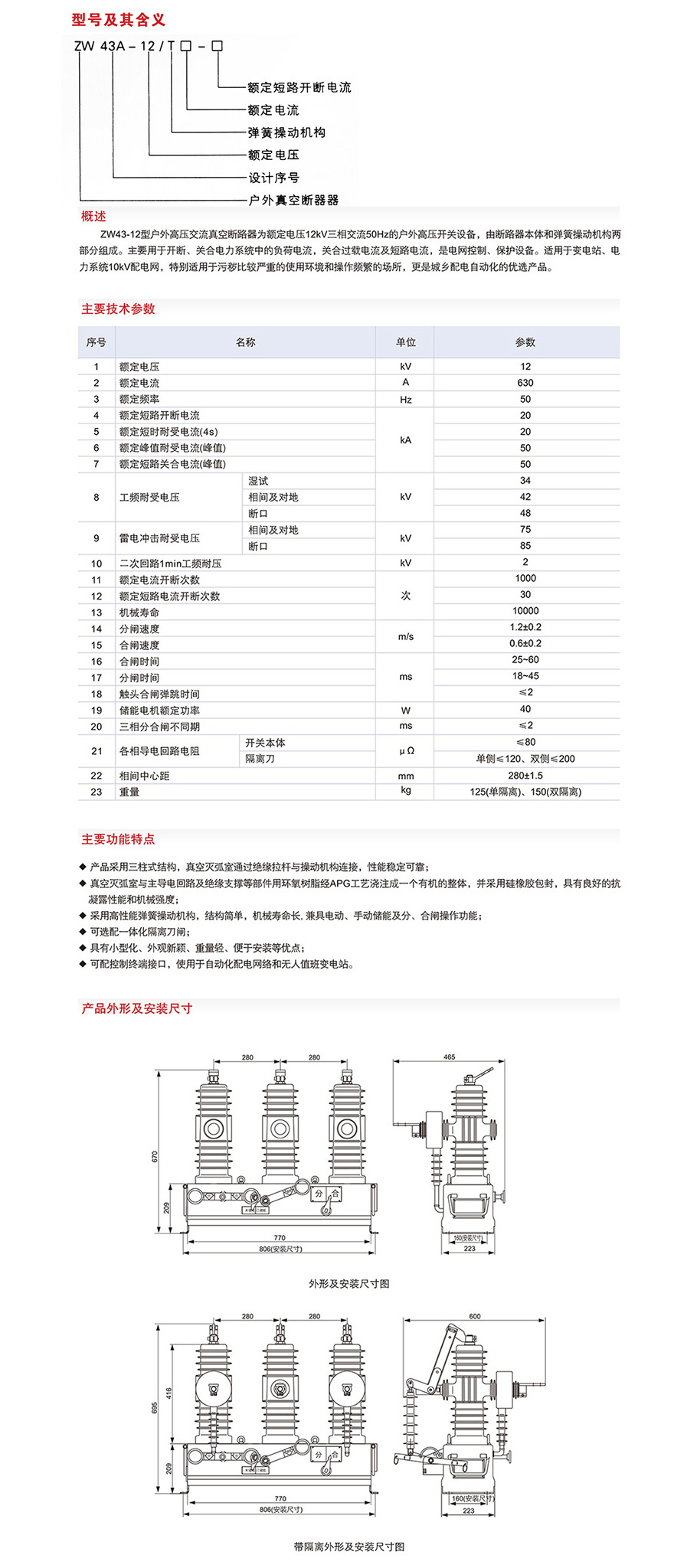
ZW43-12真空断路器(不带隔离)
发布:2021-06-02 09:27:09 阅读:(20)
ZW43-12真空断路器(不带隔离)

上一篇:没有了 下一篇:ZW43-12(G)户外高压真空断路器

ZW43-12真空断路器(不带隔离)

上一篇:没有了 下一篇:ZW43-12(G)户外高压真空断路器