快捷导航
联系方式

电话:0577-62793938
邮箱:113019163@qq.com
地址:浙江省乐清经济开发区
祝捷电气一叩起智慧、财富与荣耀之门
ZW6-12户外真空断路器
ZW6-12G真空断路器(带隔离)
发布:2021-06-02 09:41:06 阅读:(14)
ZW6-1250Hz12kV断路器配用弹簧操动机构,可实现电动储能、电动分合闸,也可手动储能和手动分合闸。100/5200/5400/5600/5内置干式电压互感器,加装一次熔断器保护,实现自备操作电源,也为配备各种重合器或远动终端提供操作电源。二、功能特点:
断路器本体相、相内置保护电流互感器,变比范围~,精度级。
AC100/5600/50.20.5S断路器操作机构预留有电气接口,可与开关智能控制器配套,实现过流三段式保护、重合闸等功能,并具有通讯接口,可外接无线通信设备,实现远方遥信、遥控等功能。
1+70-4023000m3:40m/s520mm458622000m3700pa34/m/s48
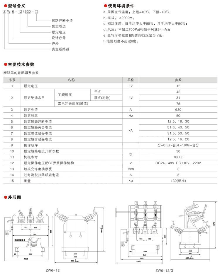
四、技术参数
项目 | 单位 | 参数 |
额定电压 | KV | 12 |
额定电流 | A | 630/1250 |
工频耐受电压 | kV | 42/48 |
雷电冲击电压(峰值) | kV | 75/85 |
额定短路开断电流 | KA | 12.5 16 20 /20 25 31.5 |
额定短路关合电流(峰值) | KA | 31.5 40 50 / 50 63 80 |
额定短时耐受电流 | KA | 12.5 16 20 / 20 25 31.5 |
额定峰值耐受电流 | KA | 31.5 40 50 /50 63 80 |
额定短路电流开断次数 | 次 | 30 |
机构寿命 | 次 | 10000 |

上一篇:没有了 下一篇:ZW6-12真空断路器