欢迎进祝捷电气有限公司官网
关于我们
|
网络营销
|
联系我们
24小时专线:
151-5872-5555
祝捷首页
公司介绍
高压真空断路器
高压负荷开关
六氟化硫断路器
多油少油断路器
工程案例
新闻中心
联系我们
快捷导航
ZW32系列真空断路器
ZW10系列户外真空断路器
ZW6-12户外真空断路器
ZW20系列真空断路器
ZW43系列户外真空断路器
户外落地式真空断路器
ZW27-12真空断路器
ZW8系列户外真空断路器
AB-3S系列真空断路器
ZW7户外真空断路器
联系方式
咨询热线:15158725555
电话:0577-62793938
邮箱:113019163@qq.com
地址:浙江省乐清经济开发区
祝捷电气一叩起智慧、财富与荣耀之门
ZW8系列户外真空断路器
所在位置:
首页
>首页
->
户外真空断路器系列
->
ZW8系列户外真空断路器
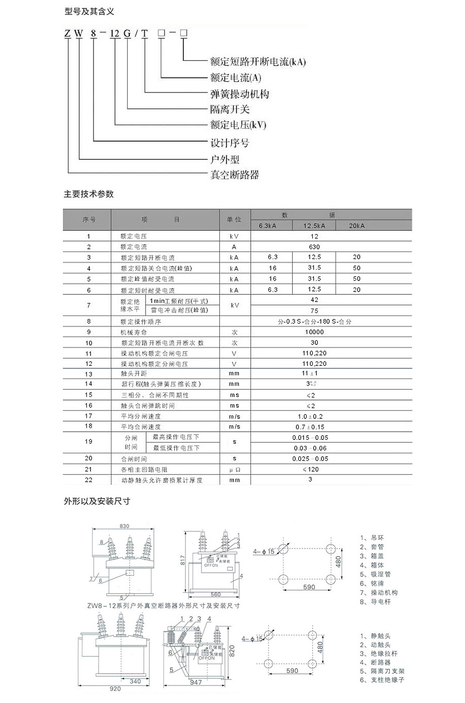
ZW8-12真空断路器(电动
发布:2021-06-02 09:24:23 阅读:
(14)
ZW8-12真空断路器(电动)
ZW8-12系列真空断路器为额定电压12KV,三相交流50Hz的高压户外开关设备,主要用来开断关合农网,城网和小型电力系统的负荷电流,过载电流短路电流,该产品总体结构为三相共箱式,三相真空灭弧室置于金属箱内,利用SMC 绝缘材料相间绝缘及对地绝缘,性能可靠,绝强度高。 ZW8-12是由ZW8-12断路器与隔离刀组合而成的称为组合断路器,可作为分段开关使用。本系列产品的操作机构CT23型弹簧储能操作机构,分为电动和手动而成。
上一篇:
ZW8-12真空断路器(手动)
下一篇:
ZW-8-12(FG)户外高压真空断路器
关闭
QQ咨询
QQ咨询
在线留言
返回顶部