欢迎进祝捷电气有限公司官网
关于我们
|
网络营销
|
联系我们
24小时专线:
151-5872-5555
祝捷首页
公司介绍
高压真空断路器
高压负荷开关
六氟化硫断路器
多油少油断路器
工程案例
新闻中心
联系我们
快捷导航
ZW32系列真空断路器
ZW10系列户外真空断路器
ZW6-12户外真空断路器
ZW20系列真空断路器
ZW43系列户外真空断路器
户外落地式真空断路器
ZW27-12真空断路器
ZW8系列户外真空断路器
AB-3S系列真空断路器
ZW7户外真空断路器
联系方式
咨询热线:15158725555
电话:0577-62793938
邮箱:113019163@qq.com
地址:浙江省乐清经济开发区
祝捷电气一叩起智慧、财富与荣耀之门
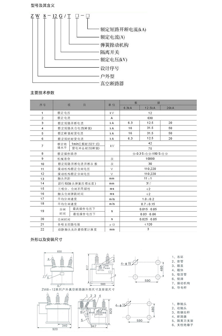
ZW8系列户外真空断路器
所在位置:
首页
>首页
->
户外真空断路器系列
->
ZW8系列户外真空断路器
ZW8-12真空断路器(手动)
发布:2021-06-02 09:25:12 阅读:
(15)
ZW8-12真空断路器(手动)
上一篇:没有了 下一篇:
ZW8-12真空断路器(电动
关闭
QQ咨询
QQ咨询
在线留言
返回顶部